關于北元
產品與應用
新聞中心
客戶服務
人才發展
返回
返回
產品中心
行業應用
返回
公司動態
返回
技術支持
常見問題
防偽查詢
服務網絡
資料下載
返回
人才發展
職業發展
社會招聘
校園招聘
搜索
關于北元
產品與應用
產品中心
行業應用
新聞中心
公司動態
客戶服務
技術支持
常見問題
防偽查詢
服務網絡
資料下載
人才發展
人才發展
職業發展
社會招聘
校園招聘
首頁
客戶服務
常見問題
隔離開關如何計算本體去除外接母排的尺寸?
2021-07-27
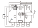
樣本尺寸中,有包含外接母排尺寸,還有外接母排的尺寸,如圖所示:
隔離開關本體寬度=B-2S
上一篇
下一篇
最近中文字幕视频2019一页